 |
 |
|
 |
 |
Приводная техника

Вся продукция сертифицирована. Мы будем рады видеть Вас клиентом нашей компании.

|
|
 |
 |
 |
Двухступенчатый червячный мотор-редуктор DRV |
|
 |
 |
Двухступенчатый червячный мотор-редуктор DRV
-
Модель: DRV
-
Размер: 30/40 - 30/50 - 30/63 - 40/75 - 40/90 -
50/110 - 50/130 - 63/150
-
Передаточное число: "i"
= 300:1 - 3200:1
-
Мощность: 0,06 - 1,5 квт
-
Крутящий момент: 68 - 2150 Нм
ОБЩЕЕ ОПИСАНИЕ
Двухступенчатый червячный мотор-редуктор серии DRV предназначен для понижения угловых скоростей до необходимых значений. Общее передаточное отношение может достигать 10000 единиц, что позволяет иметь на валу двигателя менее 0,1 об/мин. Мотор-редуктор состоит из двух одноступенчатых редукторов серии NMRV и асинхронного электродвигателя. Максимальный крутящий момент может достигать 2500 Нм. Монтаж осуществляется за счет лап на корпусе второй ступени, также возможна установка за счет бокового фланца или реактивной тяги.
Схема типового обозначения.
тип |
типоразмер |
переда-
точное
число |
исполнение |
электро-
двигатель |
монтажная позиция |
двух-
сторонний
входной
вал |
цилиндрический
выходной
вал |
выходной
фланец |
реактивная штанга |
NMRV |
030 - 130 |
5 - 3200 |
E |
SS - односторонний |
FL - широкий |
A |
мощность и
обороты
электро-
двигателя |
монтажные позиции |
NRV |
PCRV |
DS - двухсторонний |
DRV |
Пример условного обозначения в заказе.
DRV - 040/075 - 2000 - 0.7 - 0.09 - AS2
DRV - червячный двухступенчатый мотор-редуктор;
040/075 - комбинация редукторов 040 и 075 габаритов;
2000 - передаточное число;
0,7 - частота вращения выходного вала (об/мин);
0,09 - мощность электродвигателя (кВт);
AS2 - монтажная позиция.
Монтажные позиции

Технические характеристики
Мощность двигателя, кВт |
Частота вращения выходного вала, об/мин |
Крутящий момент, Нм |
Сервис-фактор |
Передаточное число |
Тип мотор-редуктора |
Двигатель IEC |
Радиальная нагрузка, Н |
0,06 |
14.0 |
25 |
1.3 |
100 |
DRV025/030 |
56A4 |
1620 |
9.3 |
32 |
0.9 |
150 |
1830 |
7.0 |
41 |
0.7 |
200 |
1830 |
5.6 |
44 |
0.8 |
250 |
1830 |
4.7 |
59 |
1.2 |
300 |
DRV025/040 |
56A4 |
3490 |
3.5 |
71 |
0.9 |
400 |
3490 |
2.8 |
82 |
0.7 |
500 |
3490 |
2.3 |
101 |
0.6 |
600 |
3490 |
1.9 |
116 |
0.5 |
750 |
3490 |
1.6 |
143 |
0.5 |
900 |
3490 |
1.2 |
171 |
0.4 |
1200 |
3490 |
0.9 |
197 |
0.3 |
1500 |
3490 |
0.8 |
217 |
0.3 |
1800 |
3490 |
0.6 |
268 |
0.2 |
2400 |
3490 |
0.5 |
324 |
0.2 |
3000 |
3490 |
0.4 |
294 |
0.1 |
4000 |
3490 |
0.3 |
356 |
0.1 |
5000 |
3490 |
4.7 |
57 |
1.3 |
300 |
DRV030/040 |
56A4 |
3490 |
3.5 |
70 |
0.9 |
400 |
3490 |
2.8 |
96 |
0.6 |
500 |
3490 |
2.3 |
104 |
0.7 |
600 |
3490 |
1.9 |
121 |
0.6 |
750 |
DRV030/040 |
56A4 |
3490 |
1.6 |
139 |
0.5 |
900 |
3490 |
1.2 |
166 |
0.4 |
1200 |
3490 |
0.9 |
196 |
0.4 |
1500 |
3490 |
0.8 |
218 |
0.3 |
1800 |
3490 |
0.58 |
261 |
0.2 |
2400 |
3490 |
0.4 |
300 |
0.2 |
3200 |
3490 |
0.4 |
279 |
0.1 |
4000 |
3490 |
0.28 |
338 |
0.1 |
5000 |
3490 |
1.6 |
141 |
1.0 |
900 |
DRV030/050 |
56A4 |
4840 |
1.2 |
169 |
0.7 |
1200 |
4840 |
0.93 |
199 |
0.7 |
1500 |
4840 |
0.78 |
222 |
0.7 |
1800 |
4840 |
0.6 |
266 |
0.5 |
2400 |
4840 |
0.5 |
307 |
0.4 |
3000 |
4840 |
0.35 |
288 |
0.3 |
4000 |
4840 |
0.29 |
311 |
0.3 |
4800 |
4840 |
0.9 |
204 |
1.1 |
1500 |
DRV030/063 |
56A4 |
6270 |
0.78 |
225 |
0.9 |
1800 |
6270 |
0.58 |
276 |
0.8 |
2400 |
6270 |
0.47 |
319 |
0.7 |
3000 |
6270 |
0.35 |
306 |
0.6 |
4000 |
6270 |
0.28 |
360 |
0.4 |
5000 |
6270 |
0.6 |
330 |
1.1 |
2400 |
DRV040/075 |
56A4 |
7380 |
0.47 |
377 |
0.8 |
3000 |
7380 |
0.35 |
355 |
0.7 |
4000 |
7380 |
0.28 |
419 |
0.5 |
5000 |
7380 |
0.5 |
406 |
1.4 |
3000 |
DRV040/090 |
56A4 |
8180 |
0.35 |
365 |
1.3 |
4000 |
8180 |
0.28 |
431 |
1.0 |
5000 |
8180 |
0,09 |
28.0 |
20 |
1.6 |
100 |
DRV025/030 |
56A2 |
1286 |
18.7 |
25 |
1.1 |
150 |
1472 |
14.0 |
33 |
0.9 |
200 |
1620 |
14.0 |
38 |
0.8 |
100 |
DRV025/030 |
56 B4 |
1620 |
9.3 |
49 |
0.6 |
150 |
1830 |
7.0 |
62 |
0.5 |
200 |
1830 |
5.6 |
66 |
0.5 |
250 |
1830 |
4.7 |
75 |
0.4 |
300 |
1830 |
3.5 |
107 |
0.3 |
400 |
1830 |
2.8 |
115 |
0.3 |
500 |
1830 |
2.3 |
135 |
0.2 |
600 |
1830 |
1.9 |
151 |
0.2 |
750 |
1830 |
1.6 |
178 |
0.2 |
900 |
1830 |
1.2 |
212 |
0.1 |
1200 |
1830 |
0.9 |
247 |
0.1 |
1500 |
1830 |
0.78 |
304 |
0.1 |
1800 |
1830 |
0.58 |
340 |
0.1 |
2400 |
1830 |
0.47 |
405 |
0.1 |
3000 |
1830 |
9.3 |
45 |
1.6 |
300 |
DRV025/040 |
56A2 |
3490 |
7.0 |
54 |
1.2 |
400 |
3490 |
5.6 |
77 |
0.8 |
500 |
3490 |
4.7 |
88 |
0.8 |
300 |
DRV030/040 |
56 B4 |
3490 |
3.5 |
107 |
1.2 |
400 |
DRV030/050 |
56 B4 |
4840 |
2.8 |
123 |
1.0 |
500 |
4840 |
2.3 |
159 |
0.9 |
600 |
4840 |
1.9 |
185 |
0.8 |
750 |
4840 |
1.6 |
212 |
0.7 |
900 |
4840 |
1.6 |
200 |
1.0 |
900 |
DRV030/063 |
56 B4 |
6270 |
1.2 |
263 |
0.9 |
1200 |
6270 |
0.93 |
305 |
0.7 |
1500 |
6270 |
0.9 |
360 |
1.1 |
1500 |
DRV040/075 |
56 B4 |
7380 |
0.78 |
404 |
1.0 |
1800 |
7380 |
0.58 |
496 |
0.7 |
2400 |
7380 |
0.5 |
609 |
0.9 |
3000 |
DRV040/090 |
56 B4 |
8180 |
0.35 |
548 |
0.8 |
4000 |
8180 |
Мощность двигателя, кВт |
Частота вращения выходного вала, об/мин |
Крутящий момент, Нм |
Сервис-фактор |
Передаточное число |
Тип мотор-редуктора |
Двигатель IEC |
Радиальная нагрузка, Н |
0,12 |
4.7 |
119 |
1.2 |
300 |
DRV030/050 |
63A4 |
4840 |
3.5 |
142 |
0.9 |
400 |
4840 |
2.8 |
164 |
0.7 |
500 |
4840 |
2.8 |
171 |
1.3 |
500 |
DRV030/063 |
63A4 |
6270 |
2.3 |
208 |
1.1 |
600 |
6270 |
1.9 |
241 |
0.9 |
750 |
6270 |
1.6 |
325 |
1.2 |
900 |
DRV040/075 |
63A4 |
7380 |
1.2 |
399 |
0.9 |
1200 |
7380 |
0.8 |
547 |
0.9 |
1800 |
DRV040/090 |
63A4 |
8180 |
0.58 |
695 |
0.9 |
2400 |
8180 |
0.5 |
884 |
1.1 |
3000 |
DRV050/105 |
63A4 |
10320 |
0.35 |
784 |
1.0 |
4000 |
10320 |
0.28 |
928 |
0.76 |
5000 |
10320 |
0.5 |
884 |
1.2 |
3000 |
DRV050/110 |
63A4 |
10320 |
0.35 |
784 |
1.0 |
4000 |
10320 |
0.28 |
928 |
0.80 |
5000 |
10320 |
0,18 |
3.5 |
222 |
1.0 |
400 |
DRV030/063 |
63 B4 |
6270 |
2.8 |
257 |
0.8 |
500 |
6270 |
2.3 |
362 |
1.1 |
600 |
DRV040/075 |
63 B4 |
7380 |
1.9 |
435 |
0.9 |
750 |
7380 |
1.6 |
487 |
0.8 |
900 |
7380 |
1.2 |
629 |
1.0 |
1200 |
DRV040/090 |
63 B4 |
8180 |
0.93 |
735 |
0.8 |
1500 |
8180 |
0.8 |
861 |
1.3 |
1800 |
DRV050/105 |
63 B4 |
10320 |
0.58 |
1113 |
0.9 |
2400 |
10320 |
0.8 |
861 |
1.5 |
1800 |
DRV050/110 |
63 B4 |
10320 |
0.58 |
1113 |
1.1 |
2400 |
10320 |
0,25 |
7.0 |
159 |
1.4 |
400 |
DRV030/063 |
63В2 |
6270 |
5.6 |
185 |
1.2 |
500 |
6270 |
3.5 |
336 |
1.1 |
400 |
DRV040/075 |
71А4 |
7380 |
2.8 |
384 |
0.8 |
500 |
7380 |
2.3 |
512 |
1.2 |
600 |
DRV040/090 |
71А4 |
8180 |
1.9 |
598 |
0.9 |
750 |
8180 |
1.6 |
667 |
0.8 |
900 |
8180 |
1.2 |
943 |
1.1 |
1200 |
DRV050/105 |
71А4 |
10320 |
0.93 |
1064 |
1.0 |
1500 |
10320 |
0.78 |
1195 |
0.9 |
1800 |
10320 |
1.2 |
943 |
1.3 |
1200 |
DRV050/110 |
71A4 |
10320 |
0.93 |
1064 |
1.2 |
1500 |
10320 |
0.78 |
1195 |
1.1 |
1800 |
10320 |
0.6 |
1624 |
1.0 |
2400 |
DRV063/130 |
71A4 |
13500 |
0.47 |
1935 |
0.8 |
3000 |
13500 |
0.35 |
2046 |
0.6 |
4000 |
13500 |
0.28 |
2430 |
0.5 |
5000 |
13500 |
0.8 |
1199 |
1.8 |
1800 |
DRV063/150 |
71A4 |
18000 |
0.6 |
1446 |
1.8 |
2400 |
18000 |
0.5 |
1713 |
1.4 |
3000 |
18000 |
0.4 |
2026 |
0.9 |
4000 |
18000 |
0.3 |
2251 |
0.7 |
5000 |
18000 |
0,37 |
9.3 |
181 |
1.3 |
300 |
DRV030/063 |
71A2 |
6270 |
7.0 |
236 |
1.0 |
400 |
6270 |
4.7 |
405 |
1.0 |
300 |
DRV040/075 |
71B4 |
7380 |
3.5 |
498 |
0.7 |
400 |
7380 |
4.7 |
402 |
1.5 |
300 |
DRV040/090 |
71B4 |
8180 |
3.5 |
523 |
1.2 |
400 |
8180 |
2.8 |
611 |
0.9 |
500 |
8180 |
2.3 |
757 |
0.8 |
600 |
8180 |
1.9 |
950 |
1.2 |
750 |
DRV050/105 |
71B4 |
10320 |
1.6 |
1079 |
1.0 |
900 |
10320 |
1.2 |
1396 |
0.7 |
1200 |
10320 |
1.9 |
950 |
1.3 |
750 |
DRV050/110 |
71B4 |
10320 |
1.6 |
1079 |
1.2 |
900 |
10320 |
1.2 |
1396 |
0.8 |
1200 |
10320 |
0.9 |
1674 |
1.1 |
1500 |
DRV063/130 |
71B4 |
13500 |
0.78 |
1887 |
0.9 |
1800 |
13500 |
0.8 |
1775 |
1.2 |
1800 |
DRV063/150 |
71B4 |
18000 |
0.6 |
2141 |
1.2 |
2400 |
18000 |
0.5 |
2535 |
0.9 |
3000 |
18000 |
Мощность двигателя, кВт |
Частота вращения выходного вала, об/мин |
Крутящий момент, Нм |
Сервис-фактор |
Передаточное число |
Тип мотор-редуктора |
Двигатель IEC |
Радиальная нагрузка, Н |
0,55 |
9.3 |
306 |
2.0 |
300 |
DRV040/090 |
71B2 |
8180 |
7.0 |
403 |
1.5 |
400 |
8180 |
5.6 |
470 |
1.2 |
500 |
8180 |
4.7 |
639 |
1.7 |
300 |
DRV050/105 |
80A4 |
10320 |
3.5 |
826 |
1.2 |
400 |
10320 |
2.8 |
984 |
1.0 |
500 |
10320 |
2.3 |
1181 |
0.9 |
600 |
10320 |
1.9 |
1411 |
0.8 |
750 |
10320 |
4.7 |
639 |
2.0 |
300 |
DRV050/110 |
80А4 |
10320 |
3.5 |
826 |
1.4 |
400 |
10320 |
2.8 |
984 |
1.1 |
500 |
10320 |
2.3 |
1181 |
1.0 |
600 |
10320 |
1.9 |
1411 |
0.9 |
750 |
10320 |
2.8 |
996 |
1.6 |
500 |
DRV063/130 |
80А4 |
13500 |
1.9 |
1471 |
1.2 |
750 |
13500 |
1.2 |
2132 |
0.8 |
1200 |
13500 |
0.8 |
2638 |
0.8 |
1800 |
DRV063/150 |
80А4 |
18000 |
0.6 |
3182 |
0.8 |
2400 |
18000 |
0,75 |
7.0 |
549 |
1.1 |
400 |
DRV040/090 |
80A2 |
8180 |
5.6 |
642 |
0.9 |
500 |
8180 |
9.3 |
446 |
2.5 |
300 |
DRV050/105 |
80А2 |
10320 |
7.0 |
563 |
1.8 |
400 |
10320 |
5.6 |
687 |
1.5 |
500 |
10320 |
4.7 |
871 |
1.3 |
300 |
DRV050/105 |
80 В4 |
10320 |
3.5 |
1126 |
0.9 |
400 |
10320 |
9.3 |
446 |
2.8 |
300 |
DRV050/110 |
80А2 |
10320 |
7.0 |
563 |
2.1 |
400 |
10320 |
5.6 |
687 |
1.6 |
500 |
10320 |
4.7 |
871 |
1.5 |
300 |
DRV050/110 |
80 В4 |
10320 |
3.5 |
1126 |
1.1 |
400 |
10320 |
2.8 |
1358 |
1.1 |
500 |
DRV063/130 |
80 В4 |
13500 |
2.3 |
1631 |
1.0 |
600 |
13500 |
1.9 |
2005 |
0.9 |
750 |
13500 |
1.6 |
2283 |
0.8 |
900 |
13500 |
2.8 |
1291 |
1.8 |
500 |
DRV063/150 |
80 В4 |
18000 |
2.3 |
1529 |
1.7 |
600 |
18000 |
1.9 |
1783 |
1.3 |
750 |
18000 |
1.6 |
2215 |
0.9 |
900 |
18000 |
1.2 |
2680 |
1.0 |
1200 |
18000 |
1,1 |
9.3 |
654 |
1.7 |
300 |
DRV050/105 |
80B2 |
10320 |
7.0 |
845 |
1.2 |
400 |
10320 |
5.6 |
1007 |
1.0 |
500 |
10320 |
9.3 |
654 |
1.9 |
300 |
DRV050/110 |
80B2 |
10320 |
7.0 |
845 |
1.4 |
400 |
10320 |
5.6 |
1007 |
1.1 |
500 |
10320 |
4.7 |
1312 |
1.3 |
300 |
DRV063/130 |
90S4 |
13500 |
3.5 |
1671 |
1.0 |
400 |
13500 |
2.8 |
1991 |
0.8 |
500 |
13500 |
9.3 |
753 |
3.1 |
150 |
DRV063/150 |
90S4 |
18000 |
7.0 |
966 |
2.4 |
200 |
18000 |
5.6 |
1175 |
1.7 |
250 |
18000 |
4.7 |
1364 |
1.7 |
300 |
18000 |
3.5 |
1619 |
1.6 |
400 |
18000 |
2.8 |
1893 |
1.2 |
500 |
18000 |
2.3 |
2242 |
1.2 |
600 |
18000 |
1.9 |
2616 |
0.9 |
750 |
18000 |
1,5 |
9.3 |
891 |
1.2 |
300 |
DRV050/105 |
90S2 |
10320 |
7.0 |
1153 |
0.9 |
400 |
10320 |
5.6 |
1373 |
0.7 |
500 |
10320 |
9.3 |
891 |
1.4 |
300 |
DRV050/110 |
90S2 |
10320 |
7.0 |
1153 |
1.0 |
400 |
10320 |
5.6 |
1373 |
0.8 |
500 |
10320 |
9.3 |
915 |
1.9 |
300 |
DRV063/130 |
90S2 |
13500 |
7.0 |
1166 |
1.4 |
400 |
13500 |
5.6 |
1389 |
1.1 |
500 |
13500 |
4.7 |
1789 |
1.0 |
300 |
DRV063/130 |
90L4 |
13500 |
3.5 |
2279 |
0.7 |
400 |
13500 |
9.3 |
1026 |
2.3 |
150 |
DRV063/150 |
90L4 |
18000 |
7.0 |
1317 |
1.8 |
200 |
18000 |
5.6 |
1602 |
1.3 |
250 |
18000 |
4.7 |
1860 |
1.3 |
300 |
18000 |
3.5 |
2208 |
1.2 |
400 |
18000 |
2.8 |
2582 |
0.9 |
500 |
18000 |
2.3 |
3057 |
0.9 |
600 |
18000 |
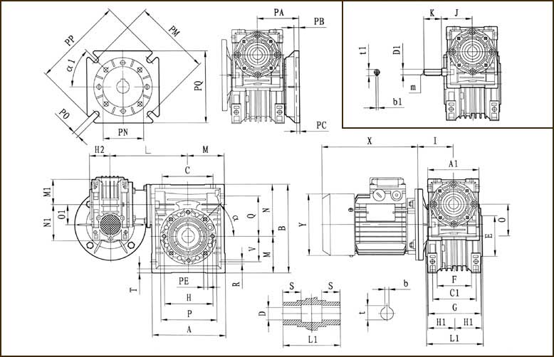
Габаритные и присоединительные размеры

DRV |
A |
A1 |
В |
С |
C1 |
D
(H7) |
D1
(J6) |
E
(h8) |
F |
G |
H |
H1 |
H2 |
l |
J |
К |
L |
L1 |
M |
M1 |
N |
N1 |
O |
O1 |
P |
030/040 |
100 |
80 |
121.5 |
70 |
60 |
18
(19) |
9 |
60 |
43 |
71 |
75 |
36.5 |
29 |
55 |
51 |
20 |
120 |
78 |
50 |
40 |
71.5 |
57 |
40 |
30 |
87 |
030/050 |
120 |
80 |
144 |
80 |
70 |
25
(24) |
9 |
70 |
49 |
85 |
85 |
43.5 |
29 |
55 |
51 |
20 |
130 |
92 |
60 |
40 |
84 |
57 |
50 |
30 |
100 |
030/063 |
144 |
80 |
174 |
100 |
85 |
25
(28) |
9 |
80 |
67 |
103 |
95 |
53 |
29 |
55 |
51 |
20 |
145 |
112 |
72 |
40 |
102 |
57 |
63 |
30 |
110 |
040/075 |
172 |
100 |
205 |
120 |
90 |
28
(35) |
11 |
95 |
72 |
112 |
115 |
57 |
36.5 |
70 |
60 |
23 |
165 |
120 |
86 |
50 |
119 |
71.5 |
75 |
40 |
140 |
040/090 |
206 |
100 |
238 |
140 |
100 |
35
(38) |
11 |
110 |
74 |
130 |
130 |
67 |
36.5 |
70 |
60 |
23 |
182 |
140 |
103 |
50 |
135 |
71.5 |
90 |
40 |
160 |
050/110 |
252.5 |
120 |
295 |
170 |
115 |
42 |
14 |
130 |
- |
144 |
165 |
74 |
43.5 |
80 |
74 |
30 |
225 |
155 |
127.5 |
60 |
167.5 |
84 |
110 |
50 |
200 |
063/130 |
292.5 |
144 |
335 |
200 |
120 |
45 |
19 |
180 |
- |
155 |
215 |
81 |
53 |
95 |
90 |
40 |
245 |
170 |
147.5 |
72 |
187.5 |
102 |
130 |
63 |
250 |
| 063/150 |
340 |
144 |
400 |
240 |
145 |
50 |
19 |
180 |
- |
192 |
215 |
81 |
53 |
95 |
90 |
40 |
268 |
200 |
170 |
72 |
230 |
102 |
130 |
63 |
250 |
DRV |
Q |
R |
S |
T |
V |
PA |
PB |
PC |
PE |
PM |
PN
(H8) |
PO |
PP |
PQ |
a |
a1 |
b |
b1 |
t |
t1 |
m |
kg |
030/040 |
55 |
6.5 |
26 |
6.5 |
35 |
67 |
7 |
4 |
M6x8
(n=4) |
75 |
60 |
9
(n=4) |
110 |
110 |
45° |
45° |
6(6) |
3 |
20.8
(21.8) |
10.2 |
- |
3.9 |
030/050 |
64 |
8.5 |
30 |
7 |
40 |
90 |
9 |
5 |
M8x10
(n=4) |
85 |
70 |
11
(n=4) |
125 |
110 |
45° |
45° |
8(8) |
3 |
28.3
(27.3) |
10.2 |
- |
5.0 |
030/063 |
80 |
8.5 |
36 |
8 |
50 |
82 |
10 |
6 |
M8x14
(n=8) |
150 |
115 |
11
(n=4) |
180 |
142 |
45° |
45° |
8(8) |
3 |
28.3
(31.3) |
10.2 |
- |
7.8 |
040/075 |
93 |
11 |
40 |
10 |
60 |
111 |
13 |
6 |
M8x14
(n=8) |
165 |
130 |
14
(n=4) |
200 |
170 |
45° |
45° |
8(10) |
4 |
31.3
(38.3) |
12.5 |
- |
12.0 |
040/090 |
102 |
13 |
45 |
11 |
70 |
111 |
13 |
6 |
M10x18
(n=8) |
175 |
152 |
14
(n=4) |
210 |
200 |
45° |
45° |
10(10) |
4 |
38.3
(41.3) |
12.5 |
- |
16.0 |
050/110 |
125 |
14 |
50 |
14 |
85 |
131 |
15 |
6 |
M10x18
(n=8) |
230 |
170 |
14
(n=8) |
280 |
260 |
45° |
45° |
12 |
5 |
45.3 |
16.0 |
M6 |
39.2 |
063/130 |
140 |
16 |
60 |
15 |
100 |
140 |
15 |
6 |
M12x21
(n=8) |
255 |
180 |
16
(n=8) |
320 |
290 |
45° |
22.5° |
14 |
6 |
48.3 |
21.5 |
M6 |
55.0 |
| 063/150 |
180 |
18 |
72,5 |
18 |
120 |
155 |
15 |
6 |
M12x21
(n=8) |
255 |
180 |
16
(n=8) |
320 |
290 |
45° |
22.5° |
14 |
6 |
53.8 |
21.5 |
M6 |
91 |
Если Вам нужны низкие обороты и высокий крутящий момент - мотор-редукторы DRV идеальное решение.
Приводная техника (мотор-редукторы, преобразователи частоты и устройства плавного пуска) отправляется покупателю транспортной компанией. По всем вопросам обращаться в офис.
Мы всегда рады видеть у себя наших старых партнеров и ждем новых.
Доставка во все регионы России!
|
 |
 |
|
|