 |
 |
|
 |
 |
Приводная техника

Вся продукция сертифицирована. Мы будем рады видеть Вас клиентом нашей компании.

|
|
 |
 |
 |
Редукторы трехступенчатые цилиндрические ЦЗУ-160, ЦЗУ-200, ЦЗУ-250 |
|
 |
 |
Трехступенчатые цилиндрические редукторы ЦЗУ-160, ЦЗУ-200, ЦЗУ-250
Техническое описание
Цилиндрические редукторы серии ЦЗУ-160, ЦЗУ-200, ЦЗУ-250 предназначены для понижения частоты вращения и увеличения крутящих моментов. В состав редуктора входит трехступенчатая цилиндрическая передача, позволяющая получить передаточное отношение в пределах 16 – 200. Вращение передается между параллельными валами.
Эксплуатация редуктора допускается в уличных условиях только под навесом. Промышленостью выпускаются два варианта редукторов, У – для условий умеренного климата, Т – для сухого и влажного климата. Если редуктор планируется использовать в закрытом помещении, следует позаботится о поддержании определенных значений температуры и влажности.
Условия эксплуатации имеют следующие особенности
-
в процессе работы допускается нагрузка равномерная или с рывками;
-
в виду высоких показателей КПД, допускается работа в длительном или коротком режиме;
-
входной вал редуктора может вращаться в обе стороны, при этом технические характеристики сохраняются;
-
частота вращения входного вала не должна превышать 1500 об/мин;
-
содержание токопроводящей пыли в окружении редуктора не должно превышать 10 мг на кубический метр;
-
внешняя температура не должна превышать допустимые показатели смазочных материалов редуктора.
Варианты сборки редукторов типа Ц3У

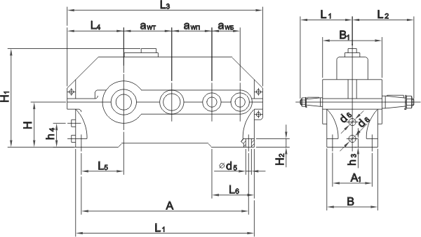
Габаритные и присоединительные размеры


Параметр |
Типоразмер редуктора |
ЦЗУ-160 |
ЦЗУ-200 |
ЦЗУ-250 |
awБ |
160 |
200 |
250 |
awП |
100 |
125 |
160 |
awТ |
80 |
100 |
125 |
А |
475 |
580 |
750 |
А1 |
140 |
165 |
218 |
В |
195 |
230 |
280 |
B1 |
206 |
243 |
290 |
Н |
170 |
212 |
265 |
Н1 |
345 |
425 |
530 |
Н2 |
28 |
36 |
40 |
L1 |
160 |
190 |
236 |
L2 |
224 |
280 |
335 |
L3 |
630 |
775 |
950 |
L4 |
195 |
236 |
290 |
L5 |
136 |
165 |
212 |
L6 |
145 |
185 |
230 |
L7 |
530 |
650 |
825 |
b1 |
4 |
5 |
5 |
b2 |
14 |
18 |
22 |
d1 |
20 |
25 |
30 |
d2 |
55 |
70 |
90 |
d3 |
М12х1.25 |
M16xl,5 |
M20xl,5 |
d4 |
МЗ6xЗ |
М48х3 |
М64х4 |
d5 |
24 |
24 |
8 |
d6 |
М24 |
М24 |
М24 |
d7 |
40 |
45 |
50 |
d8 |
88 |
100 |
130 |
h1 |
4 |
5 |
5 |
h2 |
9 |
11 |
14 |
h3 |
32 |
32 |
32 |
h4 |
110 |
125 |
160 |
l1 |
36 |
42 |
58 |
l2 |
82 |
105 |
130 |
l3 |
50 |
60 |
80 |
l4 |
110 |
140 |
170 |
t1 |
2,5 |
3,0 |
3,0 |
t2 |
5,5 |
7,0 |
9,0 |
Объем заливаемого масла, л |
6,2 |
12,0 |
18,4 |
Масса, кг |
160 |
186 |
335 |
ТЕХНИЧЕСКИЕ ХАРАКТЕРИСТИКИ ЦЗУ-160, ЦЗУ-200, ЦЗУ-250
Параметр |
Типоразмер редуктора |
ЦЗУ-160 |
ЦЗУ-200 |
ЦЗУ-250 |
Номинальные передаточные числа |
31,5; 40; 45; 50; 56; 63; 80; 100; 125; 160; 200 |
16; 20; 25; 31,5; 40; 45; 50; 56; 63; 80; 100; 125; 160; 200 |
| Номинальный вращающий момент на выходном валу Н*м |
1250 |
2500 |
5000 |
Номинальная радиальная сила, Н: |
на входном валу |
500 |
1000 |
2000 |
на выходном валу |
8000 |
11200 |
16000 |
Объем заливаемого масла, л |
6,2 |
12,0 |
18,4 |
Масса, кг |
106 |
186 |
335 |
Приводная техника (мотор-редукторы, преобразователи частоты и устройства плавного пуска) отправляется покупателю транспортной компанией. По всем вопросам обращаться в офис.
Мы всегда рады видеть у себя наших старых партнеров и ждем новых.
Доставка во все регионы России!
|
 |
 |
|
|