 |
 |
|
 |
 |
Приводная техника

Вся продукция сертифицирована. Мы будем рады видеть Вас клиентом нашей компании.

|
|
 |
 |
 |
Редукторы двухступенчатые цилиндрические 1Ц2У-100, 1Ц2У-125, 1Ц2У-160, 1Ц2У-200, 1Ц2У-250 |
|
 |
 |
Двухступенчатые цилиндрические редукторы типов 1Ц2У-100, 1Ц2У-125, 1Ц2У-160, 1Ц2У-200, 1Ц2У-250
Техническое описание
Цилиндрические редукторы серии 1Ц2У имеют две ступени редукции, что позволяет достичь высоких значений передаточных чисел. Серия представлена пятью типоразмерами 1Ц2У-100, 1Ц2У-125, 1Ц2У-160, 1Ц2У-200, 1Ц2У-250, где межосевое расстояние определяет максимально допустимый крутящий момент. В состав редуктора входит цилиндрическая передача из трех зубчатых колес разного диаметра. Диаметр колес определяет передаточное отношение. Для увеличения надежности редуктора зубья на колесах имеют косой профиль, что позволяет увеличить длину зацепления.
Условия эксплуатации имеют следующие особенности
- редуктор рассчитан на постоянную или переменную нагрузку, при этом направление нагрузки может меняться в любом направлении;
- валы редукторов могут вращаться в разные стороны, при этом основные параметры сохраняются;
- не следует подводить энергию вращения на быстроходный более 1800 об/мин;
- редуктор может эксплуатироваться в различных климатических условиях;
- окружающая атмосфера не должна содержать токопроводящую пыль более 10 мг на один куб.
Редукторы 1Ц2У по умолчанию комплектуются коническими входным и выходным валами. По желанию заказчика возможна замена обоих валов на цилиндрические или полые.
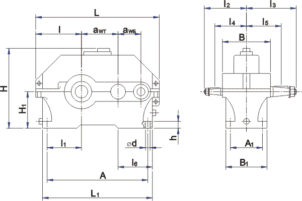
Габаритные и присоединительные размеры


Типоразмер редуктора |
Межосевые расстояния |
L |
L1 |
l |
l1 |
l2 |
l3 |
l4 |
l5 |
l6 |
H не более |
awвых |
awвх |
не более |
- |
- |
- |
- |
- |
- |
- |
1Ц2У-100 |
100 |
80 |
387 |
325 |
136 |
85 |
136 |
165 |
103 |
115 |
- |
230 |
1Ц2У-125 |
125 |
80 |
450 |
375 |
160 |
106 |
145 |
206 |
112 |
136 |
- |
272 |
1Ц2У-160 |
160 |
100 |
560 |
475 |
200 |
136 |
170 |
224 |
132 |
155 |
145 |
345 |
1Ц2У-200 |
200 |
125 |
690 |
580 |
243 |
165 |
212 |
280 |
160 |
190 |
186 |
425 |
1Ц2У-250 |
250 |
160 |
825 |
730 |
290 |
212 |
265 |
335 |
195 |
230 |
224 |
530 |
|
h |
- |
Типоразмер редуктора |
H1 |
c чугун. корп. |
с алюм. корп. |
А |
A1 |
В |
B1 |
d |
1Ц2У-100 |
112 |
— |
20±3 |
290 |
109 |
155 |
145 |
15 |
1Ц2У-125 |
132 |
— |
22±3 |
335 |
125 |
175 |
165 |
19 |
1Ц2У-160 |
170 |
24±4 |
28±4 |
425 |
140 |
206 |
195 |
24 |
1Ц2У-200 |
212 |
30±4 |
— |
515 |
165 |
243 |
230 |
24 |
1Ц2У-250 |
265 |
32±5 |
— |
670 |
218 |
290 |
280 |
28 |
ТЕХНИЧЕСКИЕ ХАРАКТЕРИСТИКИ 1Ц2У-100, 1Ц2У-125, 1Ц2У-160, 1Ц2У-200, 1Ц2У-250
Наименование показателя |
Типоразмер редуктора |
1Ц2У-100 |
1Ц2У-125 |
1Ц2У-160 |
1Ц2У-200 |
1Ц2У-250 |
Передаточные числа |
Группа 1 |
10; 20; 31,5; 40 |
Группа 2 |
8;12,5; 16; 25 |
Фактические передаточные числа |
Группа 1 |
10,32;20,64; 32,55; 40,32 |
10; 20; 31,5;38,37 |
10,32; 20,64; 32,55; 40,32 |
9,76; 20,02; 31,47; 38,98 |
9,94; 20,67; 31,47; 38,4 |
Группа 2 |
8; 12,8; 16; 25,6 |
7,75; 12,18; 15,48; 24,36 |
8; 12,6; 16,0; 25,2 |
8,09; 12,08; 16,6; 24,83 |
8,33; 12,12; 16; 24,54 |
Номинальный крутящий момент на выходном валу при длительной работе с постоянной нагрузкой Н*м |
непрерывный (Н) ПВ=100% |
315 |
630 |
1250 |
2500 |
5000 |
Допускаемый крутящий момент на выходном валу при работе редуктора на повторно-кратковременных режимах. Н*м |
тяжелый (Т) ПВ=40% |
315 |
630 |
1600 |
3150 |
6300 |
средний (С) ПВ=25% |
2000 |
4000 |
8000 |
легкий (Л) ПВ=15% |
2500 |
5000 |
10000 |
Допускаемая радиальная консольная нагрузка. приложенная в середине посадочной части, Н |
входного вала |
непрерывный (Н) ПВ=100% |
500 |
750 |
1000 |
2240 |
3150 |
тяжелый (Т) ПВ=40% |
1150 |
2500 |
3550 |
средний (С) ПВ=25% |
1280 |
2800 |
4000 |
легкий (Л) ПВ=15% |
1450 |
3150 |
4500 |
выходного вала |
непрерывный (Н) ПВ=100% |
4500 |
6300 |
9000 |
12500 |
18000 |
тяжелый (Т) ПВ=40% |
10000 |
14000 |
20000 |
средний (С) ПВ=25% |
11200 |
16000 |
22400 |
легкий (Л) ПВ=15% |
12500 |
18000 |
25000 |
Термическая мощность, кВт |
не лимитирует |
Коэффициент полезного действия, не менее, % |
97 |
Масса редуктора, не более, кг |
с чугунным корпусом |
— |
- |
95 |
170 |
310 |
с алюминиевым корп. |
21 |
31,5 |
57 |
- |
- |
Примечание: Редукторы должны изготавливаться по вариантам сборки по ГОСТ 20373-80 согласно таблице по 2 группам
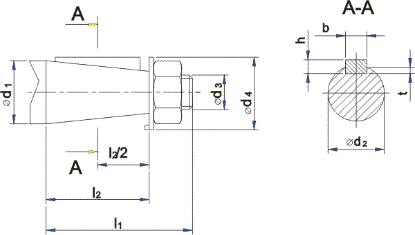
Типоразмер |
Вал |
d1 |
d2 |
d3 |
d4
не более |
l1 |
l2 |
b |
h |
t |
1Ц2У-100
1Ц2У-125 |
быстроходный |
20 |
18,2 |
М12х1,5 |
40 |
50 |
36 |
4 |
4 |
2,5 |
1Ц2У-160
1Ц2У-200
1Ц2У-250 |
25
30
40 |
22,9
27,1
35,9 |
М16х1,5
М20х1,5
М24х2,0 |
45
50
63 |
60
80
110 |
42
58
82 |
5
10 |
5
8 |
3,0
5,0 |
1Ц2У-100
1Ц2У-125
1Ц2У-160
1Ц2У-200
1Ц2У-250 |
тихоходный |
35
45
55
70
90 |
32,10
40,90
50,90
64,75
83,50 |
M20x1,5
М30х2,0
М36х3,0
М48х3,0
М64х4,0 |
50
75
88
100
130 |
80
110
110
140
170 |
58
82
82
105
130 |
6
12
14
18
22 |
6
8
9
11
14 |
3,5
5,0
5,5
7,0
9,0 |
Приводная техника (мотор-редукторы, преобразователи частоты и устройства плавного пуска) отправляется покупателю транспортной компанией. По всем вопросам обращаться в офис.
Мы всегда рады видеть у себя наших старых партнеров и ждем новых.
Доставка во все регионы России!
|
 |
 |
|
|