 |
 |
|
 |
 |
Приводная техника

Вся продукция сертифицирована. Мы будем рады видеть Вас клиентом нашей компании.

|
|
 |
 |
 |
Червячные редукторы и мотор-редукторы ”Варвел” Varvel |
|
 |
 |
Одноступенчатый червячный мотор-редуктор Varvel SRT, MRT |
 |
Червячные редукторы Varvel RT, SRT, MRT
отличаются модернизированным универсальным
корпусом позволяющим осуществить монтаж редуктора в любом
положении. Редуктор изготавливается с использованием технологии литья
под давлением. Благодаря простой и
надежной конструкции обладает высокими
эксплуатационными характеристиками и бесшумной
работой. Так-же удалось
существенно снизить вес корпуса и
создать монолитную равнопрочную
конструкцию.
Червячные редукторы Varvel RT, SRT, MRT изготавливаются в семи типоразмерах. Редукторы могут
комплектоваться стандартными
электродвигателями с высотой оси от
56 до 132 мм, максимальный момент на
выходном валу для редукторов составляет 691 Нм.
|
|
| Габарит редуктора |
28 |
40 |
50 |
60 |
70 |
85 |
110 |
| Мощность
электродвигателя кВт |
0.18 |
0.37 |
0.75 |
1.5 |
3.0 |
4.0 |
7.5 |
| Габарит
электродвигателя IEC |
63 |
71 |
80 |
90 |
100 |
100 |
112 |
| Крутящий
момент Nm |
20 |
48 |
85 |
139 |
238 |
325 |
691 |
| Передаточное
отношение i |
7 … 100 |
|
| |
Типоразмер:
редукторов
мотор-редукторов |
SRT 28, SRT 40, SRT 50, SRT 60, SRT
70, SRT 85, SRT 110
MRT 28, MRT 40, MRT 50, MRT 60, MRT
70, MRT 85, MRT 110 |
| Передаточные числа |
от 2,5:1
до 630:1 |
| Макс. выходной вращающий момент |
2300 Нм |
Ресурс |
В соответствии с ISO6336/DIN 3990 (В среднем ресурс работы
15000 часов с сервис фактором FS=1) |
Материал корпуса |
Литье под давлением, алюминий
AISi12Cu2Fe (АК 12) |
| Материал крышки |
Литье под давлением, алюминий
AISi12Cu2Fe (АК 12) |
Валы и шпоночные пазы |
Сталь 39NiCrMo3
Точность изготовления валов - h6 –
Отверстий Е8
Шпоночные пазы в соответствии с
DIN6885 B1 |
Сальники |
Тип NB – нитрил-бутадиен (С дополнительным пыльником в
соответствии с DIN 3760) |
Тип масла |
Индустриальное синтетическое масло
на весь срок службы
SHELL TIVELA S220. Заливается при
сборке редуктора.
Вязкость в соответствии с ISO. |
|
| |
Тщательно проработанная конструкция редуктора, а также точная обработка всех
посадочных поверхностей, позволила
существенно увеличить устойчивость к повышенным нагрузкам
воздействующих на редуктор. В
результате ресурс редуктора, рассчитываемый
в соответствии с ISO 6336 / DIN 3990,
составляет 15.000 часов, при этом
нагрузочная способность превышает
значения для аналогичных редукторов других
производителей. |
| |
Система обозначений
|
| SRT |
-... |
/ |
40 |
B3 |
28 |
IEC71 |
B14 |
(OPS, OPP) |
| 1 |
2 |
|
3 |
4 |
5 |
6 |
7 |
8 |
| 1 |
Тип
редуктора:
RT – редуктор с выступающим
цилиндрическим входным валом
FRT – редуктор с полым входным валом
с фланцем
SRT – редуктор с полым входным валом
без входного фланца |
| 2 |
Дополнительная
ступень |
| 3 |
Габарит редуктора |
| 4 |
Вариант установки |
| 5 |
Передаточное
отношение |
| 6 |
Типоразмер электродвигателя |
| 7 |
Типоразмер для присоединения
электродвигателя |
| 8 |
Опции |
|
Pазмеры одноступенчатых мотор-редукторов Varvel SRT, MRT
 |
|
Размер |
Тип мотор-редуктора |
SRT 28 |
SRT 40 |
SRT 50 |
SRT 60 |
SRT 70 |
SRT 85 |
SRT 110 |
A |
80 |
100 |
120 |
144 |
172 |
206 |
255 |
A 1 |
54 |
70 |
80 |
100 |
120 |
140 |
170 |
AA |
97 |
121,5 |
144 |
174 |
205 |
238 |
295 |
AA 1 |
71 |
91,5 |
104 |
130 |
153 |
172 |
210 |
B |
53 |
71 |
85 |
100 |
112 |
130 |
144 |
H |
40 |
50 |
60 |
72 |
86 |
103 |
127,5 |
H 1 |
57 |
71,5 |
84 |
102 |
119 |
135 |
167,5 |
K |
57,5 |
70,5 |
83/88 |
93/94 |
117/118 |
134/137 |
151/153 |
I |
28 |
40 |
50 |
60 |
70 |
85 |
110 |
S |
27,5 |
38,5 |
46,5 |
57 |
57 |
67* |
74 |
S 2 |
2,5 |
2,5 |
3 |
3 |
3 |
3* |
3,5 |
Z 2 |
13 |
13 |
13-18,5 |
14-15 |
15,5-17,5 |
15,5-18,5 |
18-20 |
Присоединительные
размеры (лапы) |
| B 1 |
44 |
60 |
70 |
85 |
90 |
100 |
115 |
| F 1 |
7 |
7 |
9 |
9 |
11 |
13 |
15 |
| s 1 |
6 |
7 |
8 |
10 |
11 |
14 |
13 |
| H 2 |
13 |
15 |
20 |
22 |
26 |
33 |
42,5 |
Выходной вал |
| T |
21 |
26 |
30 |
36 |
40 |
45 |
50 |
| C |
30 |
41 |
49 |
60 |
60 |
61* |
77,5 |
| Ø D H7 |
14 |
19 |
24 |
25 |
28 |
32 |
42 |
| M 1 |
16,3 |
21,8 |
27,3 |
28,3 |
31,3 |
33,3 |
45,3 |
| N 1 |
5 |
6 |
8 |
8 |
8 |
10 |
12 |
|
| |

|
Размер |
Тип мотор-редуктора |
SRT 28 |
SRT 40 |
SRT 50 |
SRT 60 |
SRT 70 |
SRT 85 |
SRT 110 |
Выходной фланец |
Ø R 1 |
65 |
75 |
85 |
95 |
115 |
130 |
165 |
Ø V 1 |
М6х10
(4 отв.) |
М6х8,5
(4 отв.) |
М8х10
(4 отв.) |
М8х16
(8 отв.) |
М8х16
(8 отв.) |
М10х18
(8 отв.) |
М10х21
(8 отв.) |
Ø G 1 h 8 |
55 |
60 |
70 |
80 |
95 |
110 |
130 |
Ø P 1 |
75 |
86 |
100 |
110 |
130 |
160 |
200 |
|
| |
| |
| |
Выходной фланец
мотор-редукторов Varvel SRT, MRT |
Выходной
фланец предназначен для монтажа
мотор-редуктора на станину механизма.
F - стандартный фланец
FL/ FV - удлиненный фланец |
| Варианты установки фланца
на редуктор |

|
| |
| типоразмеры выходных
фланцев |
Тип фланца |
Габарит редуктора |
SRT 28 |
SRT 40 |
SRT 50 |
SRT 60 |
SRT 70 |
SRT 85 |
SRT 110 |
F |
F |
F |
F |
F |
F |
F |
F |
FL |
|
FL |
FL |
FL |
|
|
|
FV |
|
|
FV |
|
|
|
|
|
| |
| Габаритные размеры выходных фланцев
мотор-редукторов Varvel SRT |

|
Тип
фланца |
Тип |
SRT 28 |
SRT 40 |
SRT 50 |
SRT 60 |
SRT 70 |
SRT 85 |
SRT 110 |
Тип F |
C |
30 |
41 |
49 |
60 |
60 |
61 |
77,5 |
P |
53 |
69 |
93 |
86 |
111 |
111 |
131 |
Z |
7 |
6 |
10 |
10 |
14 |
16 |
18 |
U |
10 |
4 |
5 |
6,5 |
12 |
6 |
5 |
Ø V |
7 (4 отв.) |
9 (4 отв.) |
10,5 (4 отв.) |
11 (4 отв.) |
13 (4 отв.) |
13 (4 отв.) |
14 (8 отв.) |
Ø GH8 |
50 |
60 |
70 |
115 |
130 |
152 |
170 |
P2 |
23 |
28 |
44 |
25 |
51 |
50 |
53,5 |
Ø R1 |
68 |
87 |
90 |
150,5 |
165 |
175 |
230 |
Ø F |
80 |
110 |
125 |
180 |
200 |
210 |
270 |
ð QD |
–– |
95 |
110 |
142 |
160 |
185 |
200 |
Тип FL/ FV |
C |
|
41 |
49 |
60 |
|
P |
99 |
123/90,5 |
116 |
Z |
8 |
10/13 |
10 |
U |
4 |
5/11 |
6,5 |
Ø V |
9 (4 отв.) |
9 (4 отв.) |
11 (4 отв.) |
Ø GH8 |
60 |
70/110 |
115 |
P2 |
58 |
74/41,5 |
56 |
Ø R1 |
87 |
90/130 |
150,5 |
Ø F |
110 |
125/160 |
180 |
Ø QD |
95 |
110/125 |
142 |
|
| |
|
| |
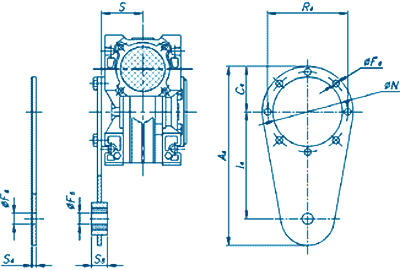
Реактивная штанга BT для редукторов и мотор-редукторов Varvel RT, SRT, MRT |
| |
Реактивная
штанга предназначена для компенсации
реактивного момента, действующего на корпус
редуктора со стороны приводного механизма.
Она оцинкована и изготовляется из
специального твердого сплава. |

Габаритные размеры
|
Габарит |
Размер |
A4 |
C4 |
F4 |
F5 |
F6 |
N |
I4 |
R4 |
S |
S4 |
S5 |
28 |
138 |
38 |
10,5 |
10 |
7 |
55 |
80 |
65 |
27,5 |
4 |
15 |
40 |
168 |
43 |
10,5 |
10 |
7 |
60 |
100 |
75 |
38,5 |
4 |
15 |
50 |
185 |
60 |
10,5 |
10 |
9 |
70 |
100 |
85 |
46,5 |
4 |
15 |
60 |
235 |
55 |
10,5 |
10 |
9 |
80 |
150 |
95 |
57 |
6 |
20 |
70 |
295 |
65 |
10,5 |
10 |
9 |
95 |
200 |
115 |
57 |
6 |
20 |
85 |
313 |
75 |
20,5 |
20 |
12 |
110 |
200 |
130 |
67 |
6 |
25 |
110 |
388 |
100 |
20,5 |
20 |
13 |
130 |
250 |
165 |
74 |
6 |
25 |
|
По заказу
реактивная штанга может быть оснащена
вулканизированной демпфирующей втулкой для
гашения вибраций. |
| |
| |
Выходной вал для редукторов и
мотор-редукторов Varvel RT, SRT, MRT |
| |
ASV - односторонний выходной
вал
ADV - двухсторонним выходной вал
|
 |
| |
Габарит |
Размер |
A2 |
B2 |
C2 |
D(g6) |
E |
G1 |
L6 |
M5 |
N5 |
V5 |
28 |
58 |
10 |
30 |
14 |
14 |
60 |
31 |
16 |
5 |
М5х10* |
40 |
80 |
10 |
40 |
19 |
22 |
82 |
50 |
21,5 |
6 |
М8х20 |
50 |
95 |
10 |
45 |
24 |
28 |
98 |
55 |
27 |
8 |
М8х20 |
60 |
117 |
10 |
50 |
25 |
30 |
120 |
60 |
28 |
8 |
М8х20 |
70 |
117 |
10 |
60 |
28 |
34 |
120 |
70 |
31 |
8 |
М8х20 |
85 |
119 |
10 |
70 |
32 |
38 |
122 |
80 |
41 |
10 |
М10х25 |
110 |
153 |
10 |
100 |
42 |
50 |
155 |
100 |
45 |
10 |
М10х25 |
|
* – указан диаметр резьбы и
ее длина.
** – для SRT 28 вместо буртика выполнена
канавка под стопорное кольцо. |
| |
 |
ASV - односторонний выходной
вал фиксируется в выходном валу редуктора с
помощью шпонки и болта
ADV - двухсторонним выходной вал фиксируется
в выходном валу редуктора с помощью шпонки и
стопорного кольца |
| |
|
Габаритные размеров электродвигателей для редукторов и
мотор-редукторов Varvel |
| |

|
Габарит электро-двигателя |
IEC 56 |
IEC 63 |
IEC 71 |
IEC 80 |
IEC 90 S/L |
IEC 100-112 |
IEC 132 |
G* |
168* |
185* |
215* |
238* |
255/280* |
309* |
368* |
X |
110 |
123 |
140 |
159 |
176 |
195 |
258 |
Z1 |
108 |
110 |
121 |
138 |
149 |
160 |
192 |
Фланец В5 |
F2 |
7 |
9 |
9 |
11 |
11 |
14 |
14 |
G2 (H8) |
80 |
95 |
110 |
130 |
130 |
180 |
230 |
R2 |
100 |
115 |
130 |
165 |
165 |
215 |
265 |
Y2 |
120 |
140 |
160 |
200 |
200 |
250 |
300 |
Фланец В14 |
F3 |
6 |
6 |
7 |
7 |
9 |
9 |
11 |
G3 (H8) |
50 |
60 |
70 |
80 |
95 |
110 |
130 |
R3 |
65 |
75 |
85 |
100 |
115 |
130 |
165 |
Y3 |
80 |
90 |
105 |
120 |
140 |
160 |
200 |
Входной вал |
D3 (F7) |
9 |
11 |
14 |
19 |
24 |
28 |
38 |
M3 |
10,4 |
12,8 |
16,3 |
21,8 |
27,3 |
31,3 |
41,3 |
N3 |
3 |
4 |
5 |
6 |
8 |
8 |
8 |
|
| |
|
| |
| |
Установочное положение одноступенчатых
мотор-редукторов Varvel SRT, MRT |

|
|
| Положение клеммной коробки
электродвигателя |

|
| |
|
Приводная техника (мотор-редукторы, преобразователи частоты и устройства плавного пуска) отправляется покупателю транспортной компанией. По всем вопросам обращаться в офис.
Мы всегда рады видеть у себя наших старых партнеров и ждем новых.
Доставка во все регионы России!
|
 |
 |
|
|