 |
 |
|
 |
 |
Приводная техника

Вся продукция сертифицирована. Мы будем рады видеть Вас клиентом нашей компании.

|
|
 |
 |
 |
Цилиндрический редуктор Varvel SRP, FRP, RP |
|
 |
 |
Цилиндрический редуктор Varvel SRP, FRP, RP |
|
Цилиндрический
редуктор Varvel RP, SRP создавался для
работы в составе самого современного оборудования,
высокопроизводительных линий,
специализированных приводов позволяющих
обеспечить высокопроизводительную
работу при низком потреблении
энергии. Цилиндрические редукторы и мотор-редукторы Varvel RP и SRP специально
адаптированны для использования в
качестве приводов конвеерных лент кормораздаточных систем и
оборудования для домашнего скота и
птицы, а так-же линий по сбору и
транспортировке яиц и линий по
удалению отходов. Редукторы и мотор-редукторы Varvel SRP и RP обладают оптимальными
кинематико-энергетическими
параметрами, наиболее полно
поддерживающими производственный
птицеводческий цикл.
Высокое качество изготовления и
заводская заправка синтетическим
смазочным материалом обеспечивают
работу мотор-редуктора без
обслуживания при любом
пространственном расположении в течении длительного срока и суровых условиях эксплуатации. Кроме того в конструкции
редуктора применены надежные
уплотнения валов NBR - DIN3760,
исключающие утечки масла.
Высокие нагрузочные характеристики,
низкий уровень шума и вибраций
обеспечены грамотной конструкцией
редуктора, применением легированных
сталей при изготовлении зубчатых
колес с соответствующей
термообработкой и качественных
подшипников.
Редукторы Varvel RP и SRP обладают высокой
коррозионной стойкостью благодаря алюминиевому корпусу и
крепежным винтам с
гальваническим покрытием.
Класс прочности винтов 8.8.
Серия редукторов Varvel RP соответствует стандартам ISO 6336
и DIN 3990.
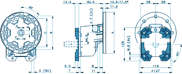
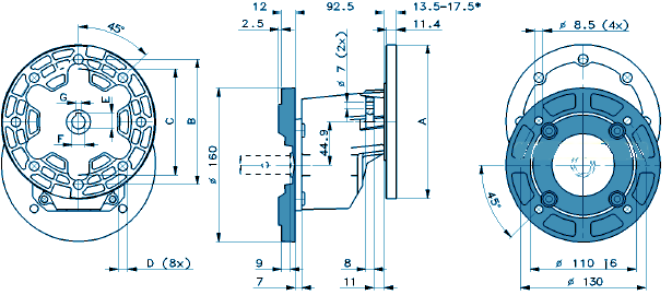
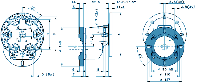
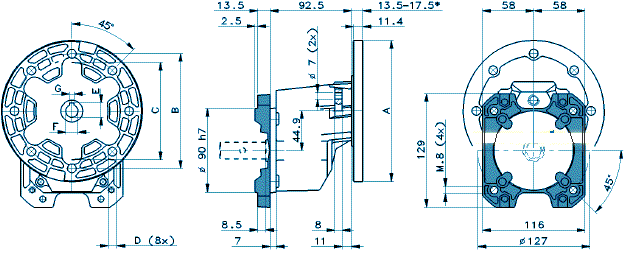
Присоединительные участки выходных
валов отвечают требованиям DIN 6884.
Варианты
исполнения выходных фланцев:
круглые, квадратные ровные и
квадратные с пазами.
Гарантированный ресурс
мотор-редукторов составляет 15000
часов. |
| |
|
|
|
Габарит редуктора |
71 |
| Мощность
электродвигателя кВт |
0.25 ... 1.1 |
| Габарит
электродвигателя IEC |
71 ... 80 |
| Крутящий
момент Nm |
4 ... 37 |
| Передаточное
отношение i (две
ступени) |
2.53 … 8 |
|
| |
Типоразмер:
Редуктор
Фланцевый редуктор IEC
Мотор-редуктор |
RP71 B5/1, RP71 SQ, RP71
SQ/1, RP71 B5, RP71 B5/140, RP71 B5/160
FRP71 B5/1, FRP71 SQ, FRP71 SQ/1, FRP71 B5, FRP71 B5/140, FRP71 B5/160
MRP71 B5/1, MRP71 SQ, MRP71 SQ/1, MRP71 B5, MRP71 B5/140, MRP71 B5/160 |
Ресурс |
В соответствии с ISO6336/DIN 3990 (В среднем ресурс работы
15000 часов с сервис фактором FS=1) |
Материал корпуса |
Литье под давлением, алюминий
AISi12Cu2Fe (АК 12) |
Зубчатые колеса |
Сталь 20MnCr5, цементация. Степень
точности 6. (Профиль
зубьев шлифован) |
Валы и шпоночные пазы |
Сталь 39NiCrMo3
Точность изготовления валов - h6 –
Отверстий Е8
Шпоночные пазы в соответствии с DIN 6884 |
Уплотнения
валов |
NBR -
DIN3760 |
|
| |
Система обозначений
|
| FRP |
71 |
/ |
3,94 |
B5/160 |
905 |
AIS80B4 |
- |
B14 |
ПКК-1 |
| 1 |
2 |
|
3 |
4 |
5 |
6 |
|
7 |
8 |
| |
|
| 1 |
Тип
редуктора:
RP – редуктор с выступающим
цилиндрическим входным валом
FRP – редуктор
с фланцем по IEC
MRP – мотор-редуктор |
| 2 |
Типоразмер |
| 3 |
Номинальное передаточное отношение |
| 4 |
Тип выходного фланца |
| 5 |
Исполнение выходного
вала |
| 6 |
Тип электродвигателя |
| 7 |
Исполнение входного
фланца |
| 8 |
Положение клеммной
коробки |
|
Технические характеристики |
| |
Тип
мотор-редуктора |
Передаточное отношение i |
Параметр |
7,91:1 |
7:1 |
5,7:1 |
5,07:1 |
4,73:1 |
3,94:1 |
3,2:1 |
2,52:1 |
P1=0,25кВт / 1400 об/мин: двигатель AIS71A4 |
FRP71 |
177
13,2
1,6 |
200
11,7
2,0 |
246
9,5
2,6 |
276
8,5
3,3 |
296
7,9
3,7 |
255
6,6
4,6 |
437
5,3
6,2 |
556
4,2
8,3 |
n2
M2
F.S. |
21 |
23 |
25 |
28 |
29 |
30 |
33 |
35 |
M2max |
P1=0,37 кВт / 1400
об/мин: двигатель AIS71B4 |
FRP71 |
177
19,6
1,1 |
200
17,3
1,3 |
246
14,1
1,8 |
276
12,5
2,2 |
296
11,7
2,5 |
255
9,7
3,1 |
437
7,9
4,2 |
556
6,2
5,6 |
n2
M2
F.S. |
21 |
23 |
25 |
28 |
29 |
30 |
33 |
35 |
M2max |
P1=0,55 кВт / 1400
об/мин: двигатель AIS80A4 |
FRP71 |
–– |
200
25,7
0,9 |
246
21,0
1,2 |
276
18,6
1,5 |
296
17,4
1,7 |
255
14,5
2,1 |
437
11,8
2,8 |
556
9,3
3,8 |
n2
M2
F.S. |
23 |
25 |
28 |
29 |
30 |
33 |
35 |
M2max |
P1=0,75 кВт / 1400
об/мин: двигатель AIS80B4 |
FRP71 |
–– |
–– |
246
28,6
0,9 |
276
25,4
1,1 |
296
23,7
1,2 |
255
19,8
1,5 |
437
16,0
2,1 |
556
12,6
2,8 |
n2
M2
F.S. |
25 |
28 |
29 |
30 |
33 |
35 |
M2max |
P1=1,1 кВт / 1400 об/мин: двигатель AIS80С4 |
FRP71 |
–– |
–– |
–– |
276
37,3
0,8 |
296
34,8
0,8 |
255
29,0
1,0 |
437
23,5
1,0 |
556
18,5
1,9 |
n2
M2
F.S. |
28 |
29 |
30 |
33 |
35 |
M2max |
|
n2
M2
F.S.
M2max |
– Число оборотов выходного вала n2 [об/мин] жирным шрифтом
– Крутящий момент на выходном валу M2 [Н. м] обычным шрифтом
– Коэффициент эксплуатации F.S.
курсивом
– Максимально допустимый вращающий
момент на выходном валу M2max [Н. м] |
|
|
| |
|
Приводная техника (мотор-редукторы, преобразователи частоты и устройства плавного пуска) отправляется покупателю транспортной компанией. По всем вопросам обращаться в офис.
Мы всегда рады видеть у себя наших старых партнеров и ждем новых.
Доставка во все регионы России!
|
 |
 |
|
|