 |
 |
|
 |
 |
Приводная техника

Вся продукция сертифицирована. Мы будем рады видеть Вас клиентом нашей компании.

|
|
 |
 |
 |
Мотор-редукторы червячные двухступенчатые CHM/CHM Chiaravalli |
|
 |
 |
Мотор-редукторы червячные двухступенчатые CHM/CHM Chiaravalli

Червячные редукторы производства Chiaravalli Trasmissioni SpA (Италия) пригодны для разнообразных типов монтажа. Постоянный контроль на всех стадиях производства обеспечивает наилучшее качество редукторов. Корпусы редукторов размеров от 025 до 090 - алюминиевые, размеров 110 и 130 - чугунные.
Все изделия покрашены аллюминиевой краской RAL 9022 для защиты деталей от износа и возникновения микротрещин корпуса.
Редукторы снабжены по меньшей мере одной заливной горловиной, которая используется в т.ч. и для тестирования возможных протечек масла.
Соединительные фланцы позволяют комбинировать 2 редуктора для получения более высоких передаточных чисел.
CHM/CHM характеристики с четырехполюсным электродвигателем - 1400 оборотов на входе
типоразмер редуктора |
передаточное число, i |
число оборотов на выходе, n2 (об/мин) |
мощность двигателя, P1 (кВт) |
крутящий момент, T2 (Нм) |
CHM
025/030 |
300 |
4.7 |
0.09 |
31 |
400 |
3.5 |
0.09 |
28 |
500 |
2.8 |
0.09 |
34 |
600 |
2.3 |
0.09 |
31 |
750 |
1.9 |
0.09 |
34 |
900 |
1.6 |
0.09 |
31 |
1200 |
1.2 |
0.09 |
31 |
1500 |
0.9 |
0.09 |
26 |
1800 |
0.8 |
0.09 |
23 |
2400 |
0.6 |
0.09 |
23 |
|
типоразмер редуктора |
передаточное число, i |
число оборотов на выходе, n2 (об/мин) |
мощность двигателя, P1 (кВт) |
крутящий момент, T2 (Нм) |
CHM
040/075 |
300 |
4.7 |
0.37 |
405 |
400 |
3.5 |
0.25 |
336 |
500 |
2.8 |
0.25 |
307 |
600 |
2.3 |
0.18 |
362 |
750 |
1.9 |
0.18 |
391 |
900 |
1.6 |
0.18 |
325 |
1200 |
1.2 |
0.18 |
359 |
1500 |
0.9 |
0.09 |
360 |
1800 |
0.8 |
0.09 |
404 |
2400 |
0.6 |
0.09 |
330 |
|
типоразмер редуктора |
передаточное число, i |
число оборотов на выходе, n2 (об/мин) |
мощность двигателя, P1 (кВт) |
крутящий момент, T2 (Нм) |
CHM
030/040 |
300 |
4.7 |
0.09 |
70 |
400 |
3.5 |
0.09 |
63 |
500 |
2.8 |
0.09 |
57 |
600 |
2.3 |
0.09 |
72 |
750 |
1.9 |
0.09 |
72 |
900 |
1.6 |
0.09 |
73 |
1200 |
1.2 |
0.09 |
65 |
1500 |
0.9 |
0.09 |
73 |
1800 |
0.8 |
0.09 |
73 |
2400 |
0.6 |
0.09 |
65 |
|
типоразмер редуктора |
передаточное число, i |
число оборотов на выходе, n2 (об/мин) |
мощность двигателя, P1 (кВт) |
крутящий момент, T2 (Нм) |
CHM
040/090 |
300 |
4.7 |
0.37 |
405 |
400 |
3.5 |
0.37 |
523 |
500 |
2.8 |
0.37 |
550 |
600 |
2.3 |
0.37 |
605 |
750 |
1.9 |
0.25 |
538 |
900 |
1.6 |
0.25 |
533 |
1200 |
1.2 |
0.18 |
629 |
1500 |
0.9 |
0.18 |
588 |
1800 |
0.8 |
0.18 |
492 |
2400 |
0.6 |
0.18 |
625 |
|
типоразмер редуктора |
передаточное число, i |
число оборотов на выходе, n2 (об/мин) |
мощность двигателя, P1 (кВт) |
крутящий момент, T2 (Нм) |
CHM
030/050 |
300 |
4.7 |
0.18 |
142 |
400 |
3.5 |
0.18 |
127 |
500 |
2.8 |
0.09 |
123 |
600 |
2.3 |
0.09 |
143 |
750 |
1.9 |
0.09 |
148 |
900 |
1.6 |
0.09 |
141 |
1200 |
1.2 |
0.09 |
118 |
1500 |
0.9 |
0.09 |
139 |
1800 |
0.8 |
0.09 |
155 |
2400 |
0.6 |
0.09 |
124 |
|
типоразмер редуктора |
передаточное число, i |
число оборотов на выходе, n2 (об/мин) |
мощность двигателя, P1 (кВт) |
крутящий момент, T2 (Нм) |
CHM
050/110 |
300 |
4.7 |
0.75 |
871 |
400 |
3.5 |
0.75 |
1013 |
500 |
2.8 |
0.55 |
984 |
600 |
2.3 |
0.55 |
1062 |
750 |
1.9 |
0.55 |
1128 |
900 |
1.6 |
0.37 |
1079 |
1200 |
1.2 |
0.25 |
943 |
1500 |
0.9 |
0.25 |
1064 |
1800 |
0.8 |
0.25 |
1075 |
2400 |
0.6 |
0.18 |
1001 |
|
типоразмер редуктора |
передаточное число, i |
число оборотов на выходе, n2 (об/мин) |
мощность двигателя, P1 (кВт) |
крутящий момент, T2 (Нм) |
CHM
030/063 |
300 |
4.7 |
0.22 |
210 |
400 |
3.5 |
0.18 |
222 |
500 |
2.8 |
0.18 |
205 |
600 |
2.3 |
0.18 |
208 |
750 |
1.9 |
0.18 |
216 |
900 |
1.6 |
0.09 |
200 |
1200 |
1.2 |
0.09 |
236 |
1500 |
0.9 |
0.09 |
204 |
1800 |
0.8 |
0.09 |
202 |
2400 |
0.6 |
0.09 |
220 |
|
типоразмер редуктора |
передаточное число, i |
число оборотов на выходе, n2 (об/мин) |
мощность двигателя, P1 (кВт) |
крутящий момент, T2 (Нм) |
CHM
063/130 |
300 |
4.7 |
1.50 |
1789 |
400 |
3.5 |
1.10 |
1519 |
500 |
2.8 |
1.10 |
1629 |
600 |
2.3 |
0.75 |
1631 |
750 |
1.9 |
0.75 |
1804 |
900 |
1.6 |
0.75 |
1826 |
1200 |
1.2 |
0.55 |
1705 |
1500 |
0.9 |
0.37 |
1674 |
1800 |
0.8 |
0.37 |
1698 |
2400 |
0.6 |
0.25 |
1624 |
|
Пример заказа: CHM/CHM 040/090 FA 2 500 OAD 63B14 V5
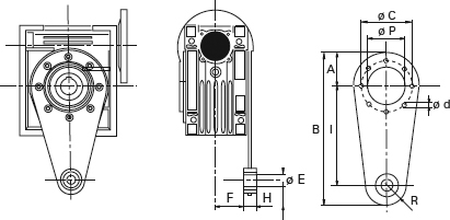
Габаритные размеры CHM-CHM/CHMR-CHM

Монтажные положения для CHM/CHM-CHME, CHMR/CHM-CHME

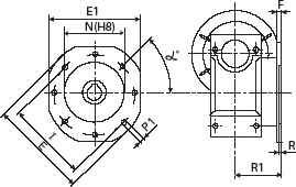
Позиции фланцев выходного вала для CHM 030-130

Размеры фланца для присоединения электродвигателей к CHM-CHME-CHMR-CHMRE 030-130
Размеры фланцев выходного вала для CHM-CHME-CHMR-CHMRE 030-130


Размеры рычага крутящего момента для CHM-CHME-CHMR-CHMRE 030-130

| Тип |
I |
R |
F |
H |
øE |
A |
B |
øC |
ød |
øP |
№ |
Масса комплекта, кг |
| CHT MV 030 |
85 |
15 |
24 |
14 |
8 |
38 |
138 |
65 |
7 |
55 |
8 |
0.18 |
|
| Без виброустойчивой втулки |
| Тип |
I |
R |
F |
H |
øE |
A |
B |
øC |
ød |
øP |
№ |
Масса комплекта, кг |
| CHT MV 040 |
100 |
18 |
31.5 |
14 |
10 |
44 |
162 |
75 |
7 |
60 |
8 |
0.24 |
|
| Тип |
I |
R |
F |
H |
øE |
A |
B |
øC |
ød |
øP |
№ |
Масса комплекта, кг |
| CHT MV 050 |
100 |
18 |
38.5 |
14 |
10 |
50 |
168 |
85 |
9 |
70 |
8 |
0.27 |
|
| Тип |
I |
R |
F |
H |
øE |
A |
B |
øC |
ød |
øP |
№ |
Масса комплекта, кг |
| CHT MV 063 |
150 |
18 |
49 |
14 |
10 |
55 |
223 |
95 |
9 |
80 |
8 |
0.57 |
|
| Тип |
I |
R |
F |
H |
øE |
A |
B |
øC |
ød |
øP |
№ |
Масса комплекта, кг |
| CHT MV 075 |
200 |
30 |
47.5 |
25 |
20 |
70 |
300 |
115 |
9 |
95 |
8 |
1.10 |
|
| Тип |
I |
R |
F |
H |
øE |
A |
B |
øC |
ød |
øP |
№ |
Масса комплекта, кг |
| CHT MV 090 |
200 |
30 |
57.5 |
25 |
20 |
80 |
310 |
130 |
11 |
110 |
8 |
1.26 |
|
| Тип |
I |
R |
F |
H |
øE |
A |
B |
øC |
ød |
øP |
№ |
Масса комплекта, кг |
| CHT MV 110 |
250 |
35 |
62 |
30 |
25 |
100 |
385 |
165 |
11 |
130 |
8 |
1.92 |
|
| Тип |
I |
R |
F |
H |
øE |
A |
B |
øC |
ød |
øP |
№ |
Масса комплекта, кг |
| CHT MV 130 |
250 |
35 |
69 |
30 |
25 |
125 |
410 |
215 |
14 |
180 |
8 |
2.23 |
|
Приводная техника (мотор-редукторы, преобразователи частоты и устройства плавного пуска) отправляется покупателю транспортной компанией. По всем вопросам обращаться в офис.
Мы всегда рады видеть у себя наших старых партнеров и ждем новых.
Доставка во все регионы России!
|
 |
 |
|
|