
Мощность 5,5- 250 кВт
Степень защиты устройства плавного пуска Siemens SIRIUS 3RW40 - IP20
Устройства плавного пуска SIRIUS 3RW40 обладают такими же преимуществами, как и устройства плавного пуска Siemens 3RW30/3. Однако данные модели оснащены дополнительными функциями и двухфазным методом управления (баланс полярности), которые являются уникальными в диапазоне мощности до 250 кВт. С помощью поворотных переключателей можно так же легко, как и на SIRIUS 3RW30/31 осуществить настройку напряжения при запуске, времени пуска/остановки, ограничения напряжения и ограничения тока. Установка значения номинального тока двигателя, класса расцепления и функции сброса при перегрузке двигателя происходит с помощью поворотных переключателей так же, как и на реле перегрузки SIRIUS. Таким образом, в устройствах плавного пуска Siemens SIRIUS 3RW40 применяются технологии, которые уже прошли испытания на других сериях устройств плавного пуска.
Благодаря настраиваемому ограничению тока, двигатель надежно защищен даже от внезапного увеличения силы тока. Три светодиода используются для отображения режима работы, возможных ошибок, недопустимого времени отключения (класса срабатывания), обрыва фазы, отсутствия нагрузки, перегрева или неисправности устройства.
Устройства плавного пуска Siemens SIRIUS 3RW40 являются частью модульной системы SIRIUS. В результате этого, они имеют идентичные размеры и схемы подключения. Благодаря свои особо компактным размерам, устройства плавного пуска SIRIUS 3RW40 в два раза меньше по сравнению с устройствами пуска «звезда-треугольник», поэтому они занимают минимальное пространство в шкафу управления. Конфигурация и монтаж производятся легко и просто благодаря 3-проводному подключению.
Достоинства:
Сверх компактный размер;
Простота в использовании;
Несложный монтаж и обслуживание;
Полупроводниковая защита от перегрузки;
Внутренняя защита устройства;
Настраиваемое ограничение тока;
Встроенная шунтирующая контактная система для минимизации потерь энергии;
Широкий диапазон температуры от -25 до + 60 °C;
Область применения устройства плавного пуска Siemens SIRIUS 3RW40:
Устройства плавного пуска Siemens мощностью до 250 кВт (при 400 В) подходят для стандартного применения в 3-фазных сетях и предназначены для плавного пуска/остановки 3-фазных асинхронных двигателей. Они позволяют избежать бросков тока и вращающего момента, которые возникают при использовании устройств пуска «звезда-треугольник».
Рекомендовано использование для запуска: |
Не рекомендуется запускать: |
Вентиляторы |
Большие вентиляторы (дымососы) |
Насосы |
Фрезерные станки |
Строительные машины |
Дробилки |
Прессы |
Лифты |
Эскалаторы |
Пилы |
Транспортеры |
Для этих применений рекомендовано, Устройство плавного пуска серии Siemens 3RW44 |
Системы кондиционирования воздуха |
Сборочные линии |
Компрессоры и охладители |
Рабочие механизмы |
Мешалки |
Центрифуги |
Основные технические характеристики:
Номинальный ток подключаемого электродвигателя, А |
12,5 … 432 |
Номинальное напряжение электродвигателя, В |
200 … 600 |
Мощность подключаемого электродвигателя, кВт |
5,5 … 250 |
Время плавного разгона, сек |
0 … 20 |
Время плавного торможения, сек |
0 … 20 |
Уровень ограничения пускового тока |
1,3 … 5 x I ном |
Уровень начального напряжения, % от номинального |
40 … 100 |
Напряжение управления, В |
Габариты от S0 до S3: 24 V AC/DC или 110 ... 230 V AC/DC |
Габариты от S6 до S12: 115 V AC или 230 V AC |
Светодиодная индикация |
3 светодиода, сигнализация 14-ти состояний |
Максимальная длина кабеля от УПП до мотора, м |
300 |
Допустимая температура |
эксплуатации: -25 … +60 град. Цельсия |
хранения: -40 … +80 град. Цельсия |
Три релейных выхода |
|
Встроенная шунтирующая контактная система |
Внутренняя защита устройства |
Защита от электродвигателя от перегрузки |
Возможность подключения термистора (опционально) |
Регулируемый уровень ограничения тока |
Защитные функции:
Защитные функции мотора |
Срабатывание защиты происходит в случае: |
Перегрузке электродвигателя |
Класс отчески по перегрузке согласно IEC 60947-4-1 |
10/15/20 |
Дисбаланс тока по фазам, % от номинального |
>40 |
Подключение термисторной защиты электродвигателя согласно IEC 60947-8, тип A/IEC 60947-5-1 |
|
Сброс после срабатывания защиты |
Ручной/автоматический/удаленный |
Время восстановления после срабатывания защиты, мин |
5 |
Защитные функции УПП |
Срабатывание защиты происходит в случае: |
Температурного перегрева теристоров или шунтирующего байпаса |
Сброс после срабатывания защиты |
Ручной/автоматический/удаленный |
Время восстановления после срабатывания защиты |
при перегрузке теристоров, сек |
30 |
при перегрузке байпаса, сек |
60 |
Органы управления:

Описание кодов для заказа:
Код устройства |
Мощность электродвигателя |
Номинальный ток, А |
Масса, кг |
кВт, Uпит=380 В, 3Ф |
Двигатель |
УПП |
3RW4024-1BB14 |
5,5 |
10.4 |
12,5 |
0,8 |
3RW4026-1BB14 |
7,5 |
13.8 |
25 |
0,8 |
11 |
20.0 |
3RW4027-1BB14 |
15 |
26.5 |
32 |
0,8 |
3RW4028-1BB14 |
18,5 |
32.0 |
38 |
0,8 |
3RW4036-1BB14 |
22 |
40.5 |
45 |
1,4 |
3RW4037-1BB14 |
30 |
54.0 |
63 |
1,4 |
3RW4038-1BB14 |
37 |
65.0 |
72 |
1,4 |
3RW4046-1BB14 |
45 |
79.0 |
80 |
1,9 |
3RW4047-1BB14 |
55 |
96.0 |
106 |
1,9 |
3RW4055-6BB44 |
75 |
130 |
134 |
5 |
3RW4056-6BB44 |
90 |
154 |
162 |
7 |
3RW4073-6BB44 |
110 |
190 |
230 |
9 |
132 |
225 |
3RW4074-6BB44 |
160 |
265 |
280 |
9 |
3RW4075-6BB44 |
200 |
325 |
356 |
9 |
3RW4076-6BB44 |
250 |
415 |
432 |
9 |
Примечания:
1. Коды для заказа приведены для устройств плавного пуска, эксплуатация которых предполагается при температуре не выше 40°С, при температуре от 40 до 50 необходимо выбирать УПП на один номинал старше, при температуре от 50 до 60 необходимо выбирать УПП на два номинала старше.
2. Коды для заказа приведены для устройств с напряжением управления 110-230 В AC/DC; если необходимо устройство с иным напряжением управления, обратитель за консультацией к нашим специалситам.
3. Для уточнения кодов заказа УПП, оборудованных входом для подключения термисторной защиты либо электродвигателей с номинальным напряжением выше 380 В, обратитесь за консультацией к нашим специалистам.
Внешний вид:

Siemens 3RW402...
|

Siemens 3RW403...
|

Siemens 3RW404...
|

Siemens 3RW405...
|

Siemens 3RW407...
|
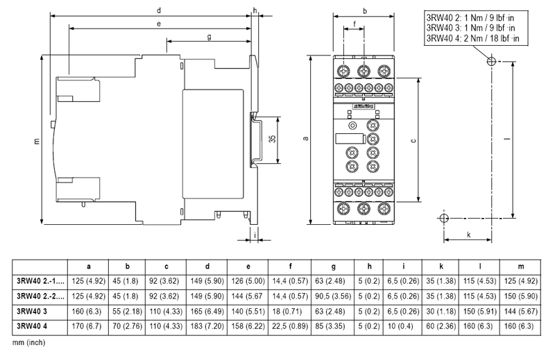
Габаритные и присоединительные размеры:


Устройства плавного пуска Siemens
Мотор редукторы, преобразователи частоты и устройства плавного пуска отправляются транспортной компанией. По всем вопросам обращаться в офис