 |
 |
|
 |
 |
Приводная техника

Вся продукция сертифицирована. Мы будем рады видеть Вас клиентом нашей компании.

|
|
 |
 |
 |
Редуктор 1Ч-160 |
|
 |
 |
Редукторы червячные 1Ч-160
Общее описание
Червячный одноступенчатый редуктор серии 1Ч-160 разработан для работы в промышленности в качестве понижающего частоту вращения привода. Номинальное передаточное число позволяет понижать скорость от 8 до 80 раз, при этом крутящий момент вырастает пропорционально понижению. Редуктор можно эксплуатировать как при постоянных, так и изменяющихся нагрузках. При высокой ударной нагрузке следует выбирать редуктор на ступень выше. Частота вращения быстроходного входного вала не должна превышать 1500 об/мин.
Основные характеристики червячных редукторов 1Ч-160:
-
частота вращения быстроходного вала не более 1500 об/мин;
-
крутящий момент не должен превышать 2500Нм;
-
габаритные размеры LxBxH — 505мм-420мм-465мм;
-
масса редуктора в заправленного маслом составляет 120 кг.
УСЛОВИЯ ПРИМЕНЕНИЯ РЕДУКТОРОВ:
-
нагрузка постоянная и переменная одного направления и реверсивная;
-
работа постоянная и с периодическими остановками;
-
вращение валов в любую сторону;
-
внешняя среда — неагрессивная, невзрывоопасная;
-
температура внешней среды — от минус 40 до плюс 50°С.
Технические характеристики червячных редукторов 1Ч-160
Передаточное число номинальное |
8 |
10 |
12,5 |
16 |
20 |
25 |
31,5 |
40 |
50 |
63 |
80 |
Частота вращения вх.вала, об/мин. |
1500 |
Номинальный крутящий момент на вых.валу, Н•м |
1860 |
1760 |
1670 |
2190 |
1860 |
1860 |
2460 |
2080 |
1860 |
1760 |
1480 |
Подводимая расчётная мощность, кВт. |
37,1 |
28,3 |
21,8 |
22,5 |
15,7 |
12,9 |
14,1 |
9,7 |
7,3 |
5,7 |
3,9 |
| КПД, % |
94 |
93 |
92 |
91 |
89 |
86 |
83 |
80 |
76 |
73 |
71 |
Допускаемая радиальная нагрузка, Н |
вх.вал |
1200 |
| вых.вал |
12150 |
Корригированный уровень зв.мощности, ДБА |
94 |
| Масса, кг не более |
120 |
Номинальный крутящий момент на выходном валу дан при повторно-кратковременном режиме при ПВ 40% |
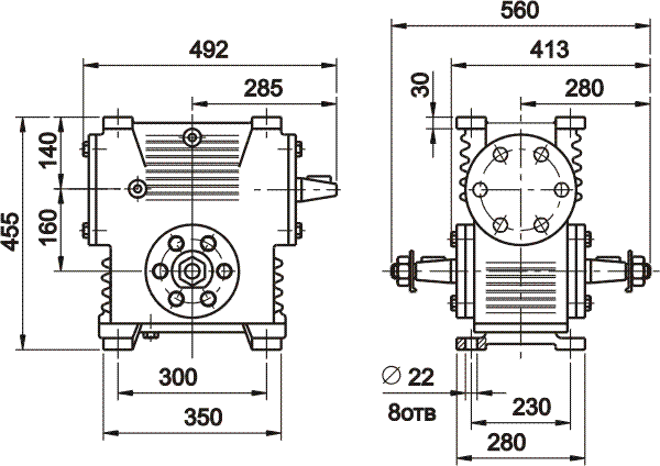
Габаритно присоединительные размеры червячных редукторов 1Ч-160

РИС 1.
Исполнение редуктора с верхней крышкой.

РИС 2.
Исполнение редуктора с крышкой-лапой.

РИС 3.
Варианты исполнения конца быстроходного
вала.

РИС 4.
Вариант исполнения конца тихоходного вала.


ПРИМЕР УСЛОВНОГО ОБОЗНАЧЕНИЯ РЕДУКТОРА В ЗАКАЗЕ:
Редуктор 1Ч-160-32-51-11-У2
-
1Ч — типоразмер редуктора;
-
160 — межосевое расстояние, мм.;
-
32 — передаточное число;
-
51 — вариант сборки;
-
11 — вариант исполнения с верхней крышкой;
-
У — климатическое исполнение;
-
2 — вариант размещения;
Приводная техника (мотор-редукторы, преобразователи частоты и устройства плавного пуска) отправляется покупателю транспортной компанией. По всем вопросам обращаться в офис.
Мы всегда рады видеть у себя наших старых партнеров и ждем новых.
Доставка во все регионы России!
|
 |
 |
|
|